
| TYPE: | T4BU10 | IO: | 4A | IR: | 5uA |
| PIV: | 1000V | VFM: | 1.00V |




FEATURES
* Ideal for printed circuit board
* Low forward voltage
* Low leakage current
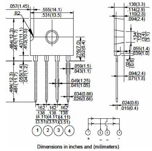
* Polarity: marked on body
* Mounting position: Any
* Both normal and Pb free product are available:
* Normal:80~95%Sn,5~20%Pb
* Pb free:99 Sn above can meet Rohs enviroment substance
directive request



Tel:0769-81837972 Fax:0769-81837971 E-mail:nanjing@gdnjdz.com



